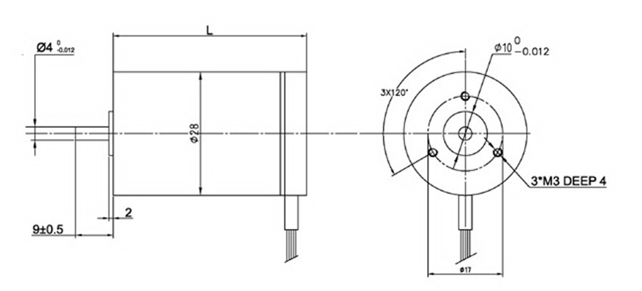
NEMA 11 28mm Brushless DC Motor,
Gearbox and Encoder may be fitted as required
24 volt DC, 8000 RPM – 20000 RPM, 1 oz-in to 7 oz-in (7 ~ 50mNm), 6 ~ 16 watts
| General Specifications | |
|---|---|
| Winding connection | Star / WYE |
| Hall effect angle | 120 degree electrical angle |
| Radial play | 0.02mm@450g |
| End play | 0.08mm@450g |
| Max. radial force | 15N @ 10mm from the flange |
| Max. axial force | 10N |
| Insulation class | Class B |
| Dielectric strength | 500VDC for one minute |
| Insulation resistance | 100MΩ min., 500VDC |

| Model | GM28Y-26A80 | GM28Y-26A200 | GM28Y-38A31 | GM28Y-77A31 | |
|---|---|---|---|---|---|
| Number of pole | 4 pole | 4 pole | 4 pole | 4 pole | |
| Number of phase | 3 phase | 3 phase | 3 phase | 3 phase | |
| Rated voltage | Volt | 15 | 24 | 24 | 24 |
| Rated speed | RPM | 8000 | 20000 | 3100 | 3100 |
| Continuous stall torque | Oz-in/mNm | 1 / 7.0 | 2 / 14.16 | 2.6 / 19.2 | 8.6 / 60 |
| Rated torque | Oz-in/mNm | 1.2 / 8.4 | 1.7 / 11.8 | 2.3 / 16 | 7.1 / 50 |
| Rated power | Watt | 6 | 25 | 5.2 | 16 |
| Peak torque | Oz-in/mN.m | 3 / 21.0 | 5 / 35.4 | 6.9 / 48 | 21.4 / 150 |
| Peak current | A | 2.5 | 4.06 | 0.87 | 2.66 |
| Torque constant | Oz-in/A / Nm/A | 2 / 0.014 | 1.3 / 0.009 | 8 / 0.055 | 8.1 / 0.057 |
| Back E.M.F | V/KRPM | 1.5 | 0.92 | 5.1 | 5.1 |
| Rotor inertia | g.c㎡ | 1.23 | 2.12 | 2.12 | 5.98 |
| Body length | mm | 26 | 38 | 38 | 77 |
| Weight | Kg | 0.06 | 0.08 | 0.08 | 0.28 |
Dimensions (mm)

Wiring Diagram

